- Tardigrade
- Question
- Physics
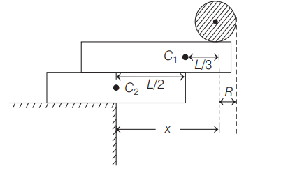
- Two identical uniform rectangular blocks (with longest side L ) and a solid sphere of radius R are to be balanced at the edge of a heavy table such that the centre of the sphere remains at the maximum possible horizontal distance from the vertical edge of the table without toppling as indicated in the figure. <img class=img-fluid question-image alt=image src=https://cdn.tardigrade.in/img/question/physics/11f29da0b4d011049d9e7fdf7b4a3478-.png /> If the mass of each block is M and of the sphere is M / 2, then the maximum distance x that can be achieved is
Q.
Two identical uniform rectangular blocks (with longest side ) and a solid sphere of radius are to be balanced at the edge of a heavy table such that the centre of the sphere remains at the maximum possible horizontal distance from the vertical edge of the table without toppling as indicated in the figure.
If the mass of each block is and of the sphere is , then the maximum distance that can be achieved is
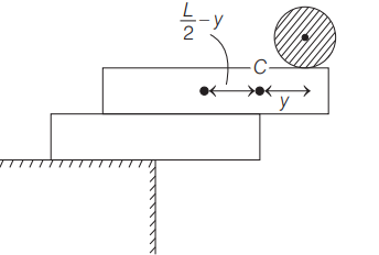
Solution: