Tardigrade
Tardigrade - CET NEET JEE Exam App
Exams
Login
Signup
Tardigrade
Question
Physics
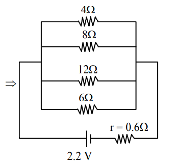
In the given figure, the emf of the cell is 2.2 V and if internal resistance is 0.6 Ω. Calculate the power dissipated in the whole circuit:
Q. In the given figure, the emf of the cell is
2.2
V
and if internal resistance is
0.6
Ω
. Calculate the power dissipated in the whole circuit:
6369
251
JEE Main
JEE Main 2021
Current Electricity
Report Error
A
1.32 W
16%
B
0.65 W
8%
C
2.2 W
68%
D
4.4 W
8%
Solution:
R
eq
1
=
4
1
+
8
1
+
12
1
+
6
1
=
24
6
+
3
+
2
+
4
=
24
15
R
eq
=
15
24
=
1.6
⇒
R
T
=
1.6
+
0.6
=
2.2Ω
P
=
R
T
V
2
=
2.2
(
2.2
)
2
=
2.2
W