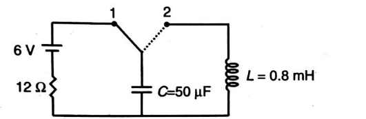
Q.
In the circuit shown, switch is connected to position for a very long time. What is maximum current (in ampere) through the inductor when switch is taken to position ?

Answer: 1.50
Solution:

Answer: 1.50
Solution: