Tardigrade
Tardigrade - CET NEET JEE Exam App
Exams
Login
Signup
Tardigrade
Question
Physics
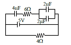
Calculate the amount of charge on capacitor of 4 μ F. The internal resistance of battery is 1 Ω: <img class=img-fluid question-image alt=image src=https://cdn.tardigrade.in/img/question/physics/e38139c63dac310f34cc337dad88670d-.png />
Q. Calculate the amount of charge on capacitor of
4
μ
F
. The internal resistance of battery is
1
Ω
:
8039
230
JEE Main
JEE Main 2021
Electrostatic Potential and Capacitance
Report Error
A
8
μ
C
29%
B
zero
36%
C
16
μ
C
14%
D
4
μ
C
21%
Solution:
On simplifying circuit we get
No current in upper wire.
∴
V
A
B
=
4
+
1
5
×
4
=
4
v
∴
θ
=
(
C
eq
)
v
⇒
2
×
4
=
8
μ
C