Q. A plank is moving in a horizontal direction with a constant acceleration . uniform rough cubical block of side rests on the plank and is at rest relative to the plank
image
Let the centre of mass of the block be at at a given instant. If the n the normal reaction exerted by the plank on the block a t that instant acts at

 2318  240 KVPYKVPY 2018 Report Error

Solution:

Given situation is
image
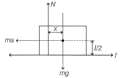
Forces acting on the block are
image
In above diagram,
pseudo force due to acceleration of plank,
force of static friction,
weight of block and
normal reaction.
Here, we must note that due to motion of plank, normal reaction force does not passes through centre of mass.
If line of action of normal force at a distance from centre, then for equilibrium of block, net torque about centre of mass must be zero.

and does not produces any torque about centre of mass as their line of action passes through centre of mass.


and

or
or
So, coordinates of point from which reaction passes are