Tardigrade
Tardigrade - CET NEET JEE Exam App
Exams
Login
Signup
Tardigrade
Question
Physics
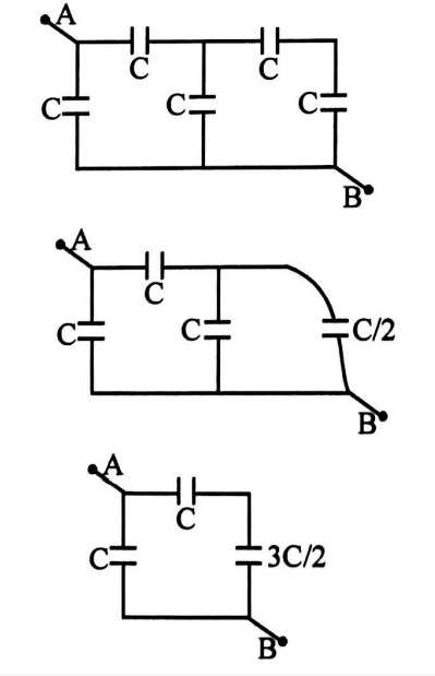
What is the equivalent capacitance (in C) of the system of capacitors between A B
Q. What is the equivalent capacitance (in
C
) of the system of capacitors between
A
&
B
1558
215
Electrostatic Potential and Capacitance
Report Error
Answer:
1.60
Solution:
C
′
1
=
C
1
+
3
C
2
C
′
=
0.6
C