Q. What is the energy stored in the capacitor (in ) between terminals and of the network (as shown in figure)? If capacitance of each capacitor is .
Question

 100  208 NTA AbhyasNTA Abhyas 2022 Report Error

Answer: 12500

Solution:

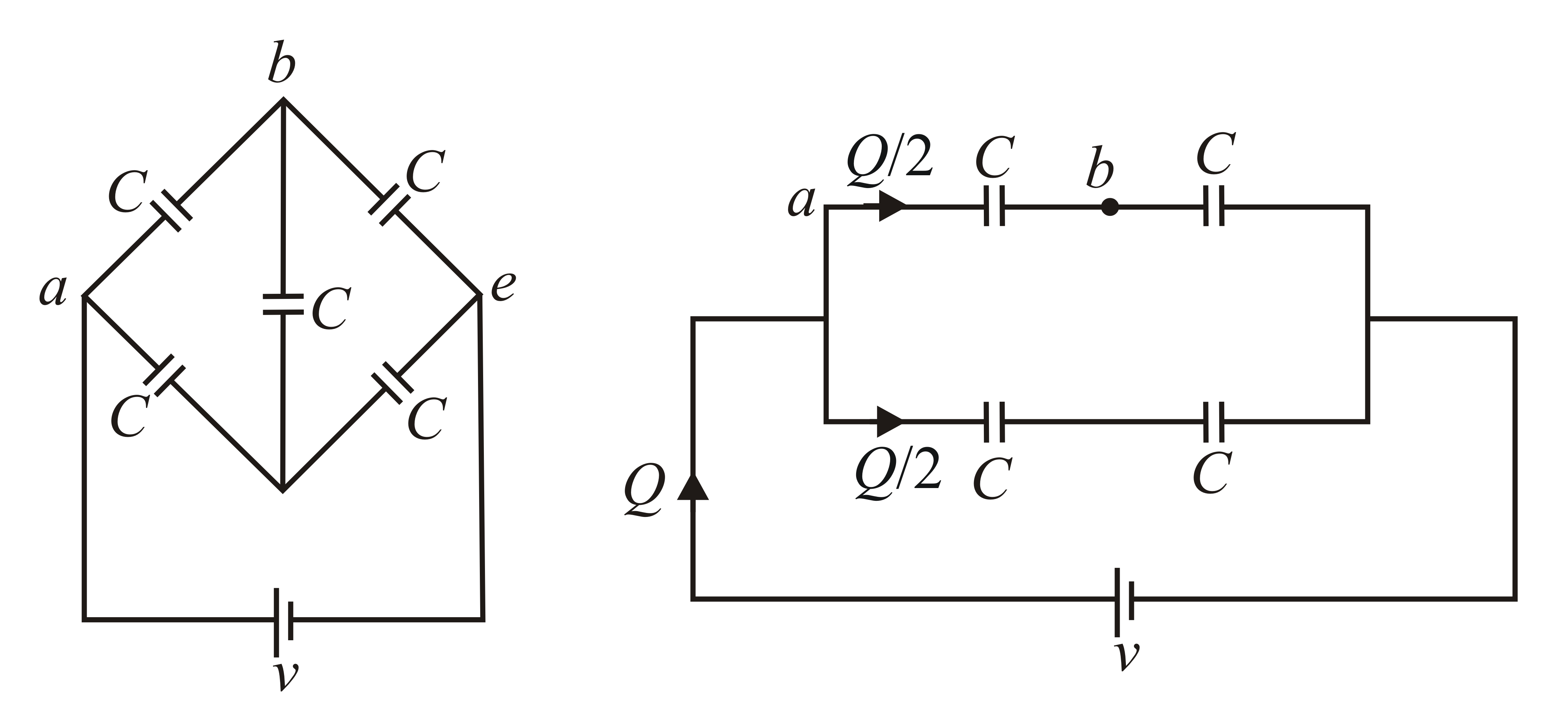
Redrawing network, we get a balanced Wheatstone's network.
Solution
Solution
Charge on capacitor between terminals and

Energy stored in that capacitor