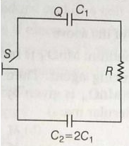
Q.
Two capacitors and are connected in a circuit with a switch between them as shown in the figure. Initially the switch is open and holds charge . The switch is closed. At steady state, the charge on each capacitors will be

Solution: