Tardigrade
Tardigrade - CET NEET JEE Exam App
Exams
Login
Signup
Tardigrade
Question
Physics
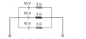
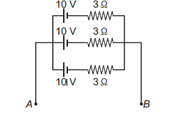
Three identical cells are connected in parallel across AB . Net emf across AB is
Q. Three identical cells are connected in parallel across
A
B
. Net emf across
A
B
is
2891
296
Current Electricity
Report Error
A
10 V
B
30 V
C
15 V
D
12 V
Solution:
E
net
=
3
1
+
3
1
+
3
1
3
10
+
3
10
+
3
10
=
10
volt