Tardigrade
Tardigrade - CET NEET JEE Exam App
Exams
Login
Signup
Tardigrade
Question
Physics
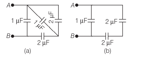
The total capacitance of the system of capacitors in figure, between A and B is
Q. The total capacitance of the system of capacitors in figure, between
A
and
B
is
1543
279
UPSEE
UPSEE 2013
Report Error
A
1
μ
F
B
2
μ
F
C
3
μ
F
D
4
μ
F
Solution:
The simplified circuit is shown in figure.
∴
C
A
B
=
C
1
+
C
2
=
1
μ
F
+
1
μ
F
=
2
μ
F