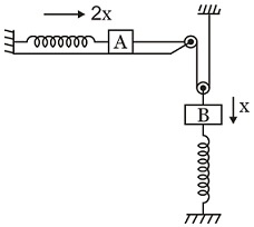
Q. The system is released form rest with both the springs in unstretched position. Mass of each block is 1 kg and force constant of each spring is 10 N/m. Assume pulleys and strings are massless and all contacts are smooth.Then which of the following is incorrect. (g = 10 m/s2)

Question

 3896  243 NTA AbhyasNTA Abhyas 2020Work, Energy and Power Report Error

Solution:

The system is released...
Solution
Solution
Solution

...(ii)





So only wrong option is (iv)