Tardigrade
Tardigrade - CET NEET JEE Exam App
Exams
Login
Signup
Tardigrade
Question
Physics
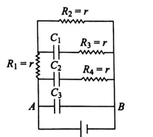
The equivalent resistance between points A and B in figure at steady state will be
Q. The equivalent resistance between points
A
and
B
in figure at steady state will be
520
234
Current Electricity
Report Error
A
2
r
B
5
3
r
C
3
5
r
D
none of these
Solution:
In the steady state, no current is flowing through the capacitor branch, so the capacitor branches may be removed from the circuit, the equivalent circuit is shown in figure.
∴
R
A
B
=
R
1
+
R
2
=
r
+
r
=
2
r