Q.
The equivalent capacitance for the network shown in the figure is
6133
309
Electrostatic Potential and Capacitance
Report Error
Solution:
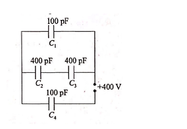
Capacitance of C1=C4=100pF
Capacitance of C1=C4=100pF
Capacitance of C2=C3=400pF
Supply voltage, V=400V
Capacitors C2 and C3 are connected in series
Equivalent capacitance C′=4001+4001=4002
or C′=200pF
Capacitors C1C′ are in parallel
Their equivalent capacitance C′′=C′+C1=200+100=300pF
Capacitors C′′ and C4 are connected in series
Equivalent capacitance Ceq1=C′′1+C41=3001+1001 Ceq1=3004 ∴Ceq=4300pF