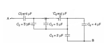
Q. The equivalent capacitance between and in the circuit given below, is : Physics Question Image

 12389  247 JEE MainJEE Main 2018Electrostatic Potential and Capacitance Report Error

Solution:

The given circuit is as shown below:
image
Here capacitance and are connected in parallel. Therefore,

Also, capacitance and are in parallel. Therefore,

image
Therefore, equivalent capacitance of the circuit is