Q.
The charge deposited on 4μF capacitor in the circuit is
28502
262
KCETKCET 2009Electrostatic Potential and Capacitance
Report Error
Solution:
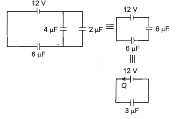
As the capacitors 4μF and 2μF are connected in parallel and are in series with 6μF capacitor, their equivalent capacitance is 2+4+6(2+4)×6=3μF
Charge in the circuit, Q=3μF×12V=36μC
Since, the capacitors 4μF and 2μF are connected in parallel, therefore potential difference across them is same. ⇒Q2Q1=C2C1=24
or Q1=2Q2
Also, Q=Q1+Q2 ∴36μC=2Q2+Q2
or Q2=336μC=12μC Q1=Q−Q2=36μC−12μC =24μC=24×10−6C