Tardigrade
Tardigrade - CET NEET JEE Exam App
Exams
Login
Signup
Tardigrade
Question
Physics
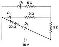
In the given circuit the current through the battery is
Q. In the given circuit the current through the battery is
9162
269
KEAM
KEAM 2010
Semiconductor Electronics: Materials Devices and Simple Circuits
Report Error
A
0.5 A
B
1 A
C
1.5 A
D
2 A
E
2.5 A
Solution:
i
1
=
20
10
=
0.5
A
i
2
=
10
10
=
1
A
∴
Total current
=
1.5
A