Tardigrade
Tardigrade - CET NEET JEE Exam App
Exams
Login
Signup
Tardigrade
Question
Physics
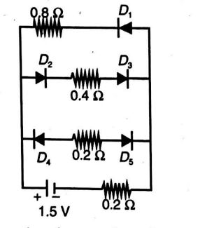
In the figure shown, the potential difference across the diodes D1, D2 and the resistor of resistance 0.4 Ω are P, Q and R volts, respectively. Find P+Q+R. (Assume all diodes are ideal)
Q. In the figure shown, the potential difference across the diodes
D
1
,
D
2
and the resistor of resistance
0.4
Ω
are
P
,
Q
and
R
volts, respectively. Find
P
+
Q
+
R
. (Assume all diodes are ideal)
205
216
Semiconductor Electronics: Materials Devices and Simple Circuits
Report Error
Answer:
2
Solution:
Electrical equivalent:
D
1
and
D
4
are reverse biased and
D
2
and
D
3
are forward biased.
i
=
0.2
+
0.4
1.5
=
2.5
A