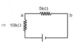
Q. In the figure, potential difference between and is:

Question

 1946  294 NTA AbhyasNTA Abhyas 2020Semiconductor Electronics: Materials Devices and Simple Circuits Report Error

Solution:

Diode is in forward bias, so it will behave as simple wire so,
Solution Solution
So,