Tardigrade
Tardigrade - CET NEET JEE Exam App
Exams
Login
Signup
Tardigrade
Question
Physics
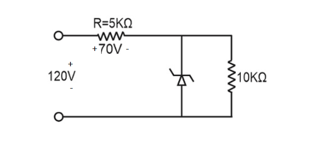
For the circuit shown in the figure: <img class=img-fluid question-image alt=Question src=https://cdn.tardigrade.in/q/nta/p-6pf5qcpsetounlke.jpg />
Q. For the circuit shown in the figure :
497
208
NTA Abhyas
NTA Abhyas 2022
Report Error
A
Current through Zener diode is
4
m
A
B
Current through Zener diode is
9
m
A
C
The output voltage is
60
V
D
The output voltage is
40
V
Solution:
Here,
I
=
5000
70
=
1.4
×
1
0
−
2
A
V
Z
=
120
−
70
=
50
V
(output voltage Across diode)
I
L
=
10000
50
=
5
×
1
0
−
3
A
=
0.5
×
1
0
−
2
A
⇒
I
Z
=
(
1.4
−
0.5
)
×
1
0
−
2
A
=
9
×
1
0
−
3
A
=
9
m
A