- Tardigrade
- Question
- Physics
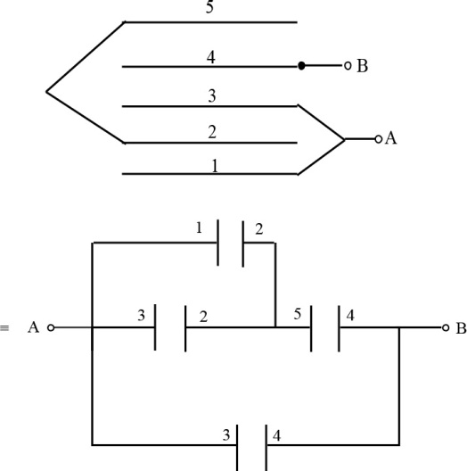
- Five identical plates of equal area A are placed parallel to each other and at equal distance d from each other as shown in the figure. The effective capacity of the system between the terminals A and B is <img class=img-fluid question-image alt=Question src=https://cdn.tardigrade.in/q/nta/p-0v94iso1k7z9.png />
Q.
Five identical plates of equal area are placed parallel to each other and at equal distance from each other as shown in the figure. The effective capacity of the system between the terminals and is
Solution: