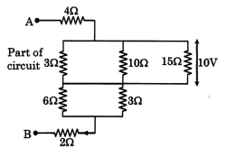
In Circuit 3Ω,10Ω and 15Ω, resistance is in parallel
So R11=31+101+151 R1=2Ω 6Ω and 3Ω Resistance are in parallel R21=61+31 R2=2Ω
Then Req between A and B Req =4+2+2+2=10Ω
Current in 15Ω resistor I=RV=1510=32A
Then current in 10Ω I=1015×32=1A
and current in 3Ω=315×32=310A
Total current in circuit =32+1+310 I=5A
Potential difference between A and B VAB= Total Resistance × Current =Req×I =10×5 VAB=50 Volt
Hence VAB=50 volt