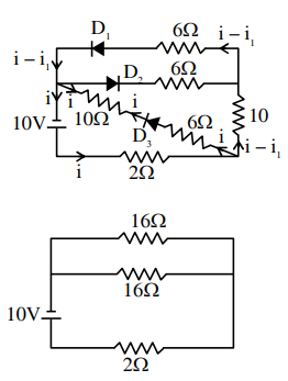
Q.
As per the given circuit, the value of current through the battery will be..... .

794
208
JEE MainJEE Main 2022Semiconductor Electronics: Materials Devices and Simple Circuits
Report Error
Answer: 1
Solution: