Tardigrade
Tardigrade - CET NEET JEE Exam App
Exams
Login
Signup
Tardigrade
Question
Physics
A galvanometer of resistance 240 Ω allows only 4 % of the main current after connecting a shunt resistance. The value of the shunt resistance is
Q. A galvanometer of resistance
240
Ω
allows only
4%
of the main current after connecting a shunt resistance. The value of the shunt resistance is
11896
256
KCET
KCET 2009
Moving Charges and Magnetism
Report Error
A
20
Ω
11%
B
8
Ω
20%
C
5
Ω
15%
D
10
Ω
54%
Solution:
Given, galvanometer resistance
G
=
240
Ω
Shunt resistance
S
=
?
I
G
=
100
4
I
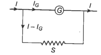
From figure voltage through the circuit.
(
I
−
I
G
)
S
=
I
G
G
or
(
1
−
100
4
I
)
S
=
100
4
I
×
240
or
§
=
96
4
×
240
=
10Ω