- Tardigrade
- Question
- Physics
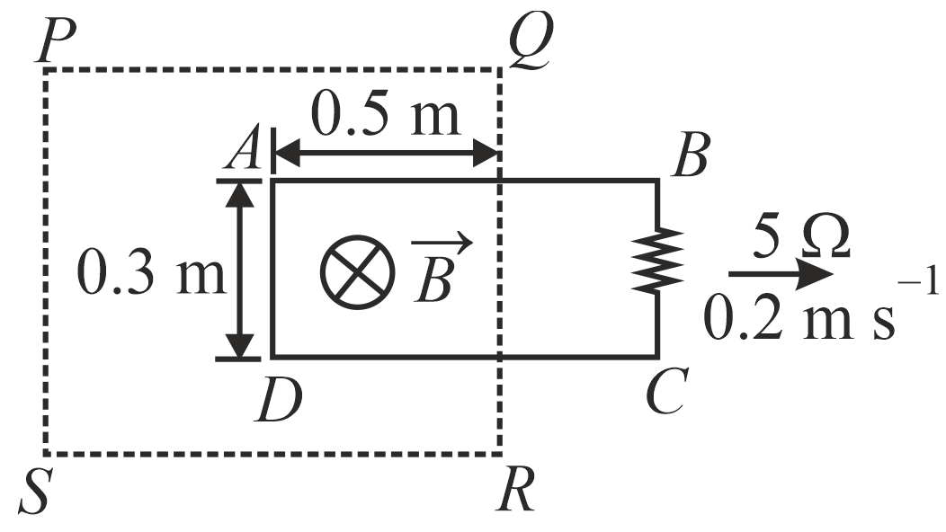
- A circuit ABCD is held perpendicular to the uniform magnetic field of B=5× 10- 2T extending over the region PQRS and directed into the plane of the paper. The circuit is moving out of the field at a uniform speed of 0.2ms- 1 for 1.5s . During this time, the current in the 5Ω resistor is <img class=img-fluid question-image alt=Question src=https://cdn.tardigrade.in/q/nta/p-lem6xcmkpwmcoz9s.jpg />
Q.
A circuit is held perpendicular to the uniform magnetic field of extending over the region and directed into the plane of the paper. The circuit is moving out of the field at a uniform speed of for . During this time, the current in the resistor is
Solution: