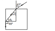
Q.
For the given incident ray as shown in figure, the condition of total internal refraction of this ray the required refractive index of prism will be :-
AIPMTAIPMT 2002Ray Optics and Optical Instruments
Solution: